

1. Descripción del modelo
NX-TJ /Φ※
① ②
① Código de nombre: soporte del acumulador
② Diámetro exterior del acumulador: Φ89~Φ426
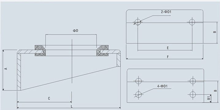
2. Estructura y dimensiones

3. Parámetros técnicos
| Modelo | A | B | C | ΦD | ΦD1 | E | F | B1 | L | Modelo equipado con acumulador | peso (Kg) |
| NX-TJ/Φ89 | 45 | 23 | 62.5 | Φ60 | 2-Φ9 | 60 | 98 | / | 112 | NXQ-0.4L~0.63L | 0.8 |
| NX-TJ/Φ114 | 50 | 28 | 75 | Φ60 | 2-Φ9 | 70 | 126 | / | 138 | NXQ-1L | 1 |
| NX-TJ/Φ152 | 65 | 35 | 96 | Φ88 | 2-Φ13 | 113 | 162 | / | 178 | NXQ-1.6~6.3L | 2 |
| NX-TJ/Φ219 | 100 | 62 | 133 | Φ125 | 4-Φ;17 | 160 | 226 | 22 | 252 | NXQ-10L~40L | 7 |
| NX-TJ/Φ299 | 100 | 62 | 173 | Φ140 | 4-Φ17 | 200 | 306 | 22 | 332 | NXQ-20L~100L | 12 |
| NX-TJ/Φ351 | 120 | 70 | 212 | Φ170 | 4-Φ17 | 280 | 360 | 30 | 412 | NXQ-63L~160L | 20 |
| NX-TJ/Φ426 | 120 | 70 | 237 | Φ200 | 4-Φ17 | 300 | 435 | 30 | 462 | NXQ-100L~250L | 24 |
4. Instrucciones de pedido
① Al realizar el pedido, se debe especificar el nombre completo del código del modelo, como: el volumen nominal del acumulador es de 25 l y el diámetro es de Φ 299. Soporte: NX-TJ/Φ 299. (incluidas las almohadillas de goma)
② Si tiene requisitos especiales para el soporte, consulte con nuestra empresa.
③ La empresa se reserva el derecho de modificar el dise?o sin previo aviso.